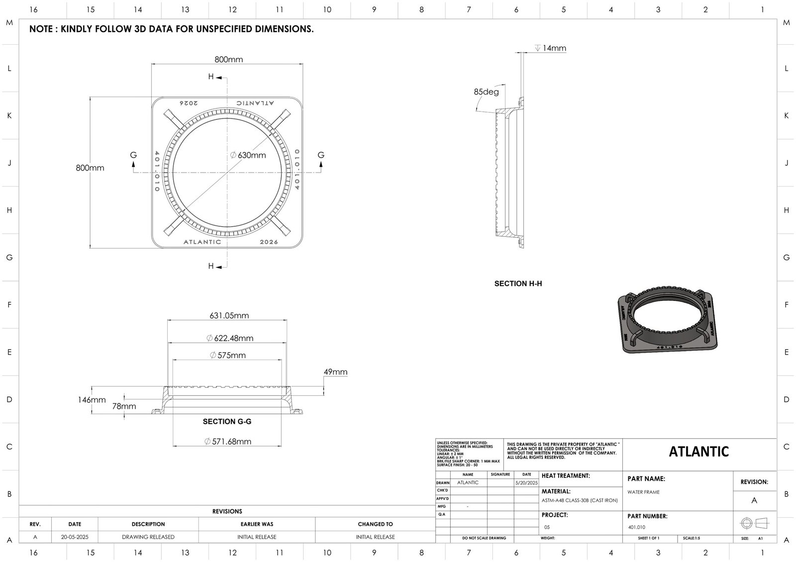
401.010 Water Manhole

The Manhole is designed for efficient underground utility management. Manufactured from high-quality materials, this manhole frame offers excellent strength, load-bearing capacity, and long-lasting performance even in heavy-traffic areas. Its square design ensures a secure fit, easy installation, and proper alignment with covers for maximum safety. Ideal for drainage, sewer, and water applications.

Key Features:

  • Heavy-duty cast iron construction for superior strength and durability
  • Corrosion-resistant bituminous coating ensures long-lasting outdoor performance
  • Square frame and cover design provides secure fit and easy alignment
  • Engineered to withstand heavy vehicular and pedestrian loads
  • Low-maintenance design for efficient inspection and servicing
  • Complies with ASTM A48 Class 30B / EN 124 standards for quality and performance

Product Overview

The Manhole is designed for efficient underground utility management. Manufactured from high-quality materials, this manhole frame offers excellent strength, load-bearing capacity, and long-lasting performance even in heavy-traffic areas. Its square design ensures a secure fit, easy installation, and proper alignment with covers for maximum safety. Ideal for drainage, sewer, and water applications.

Design Features

  • Durable Construction: Made from high-grade materials to ensure superior strength and long service life under heavy loads.
  • Precision Fit: Square frame design provides accurate alignment with covers for a secure and stable fit.
  • Corrosion Resistance: Coated surface prevents rust and degradation, ensuring reliable performance in harsh environments.
  • Easy Installation: Engineered for quick and efficient installation with minimal maintenance requirements.
  • Wide Application: Suitable for drainage systems, sewer networks, and water management infrastructures.

Technical Specifications

Item Water Manhole OPSD 401.010
Product Description 401.010
Material Cast Iron
Coating Asphalt
Standard ASTM A48 Class 30B

Installation Guidelines

Preparation

Before installation, ensure the foundation or chamber opening is properly leveled, clean, and free from debris or loose materials. Verify that the manhole frame and cover are of matching dimensions and material grade. Confirm that the bedding mortar or concrete mix is prepared according to site requirements.

Installation Steps

  1. Position the manhole frame accurately over the prepared opening, ensuring correct orientation and level alignment with the surrounding surface.
  2. Apply a suitable mortar or concrete bedding layer beneath the frame to provide uniform support and stability.
  3. Press the frame gently into the bedding material and check that it sits evenly and flush with the pavement or road surface.
  4. Allow the bedding material to cure completely before placing the manhole cover to ensure proper load-bearing capacity.
  5. Install the cover securely onto the frame, ensuring it fits snugly and operates smoothly without wobble or gaps.
  6. Inspect the completed installation for alignment, stability, and watertightness before opening for use.

Common Applications

  • Drainage Systems: Provides access for inspection, maintenance, and cleaning of underground stormwater or wastewater lines.
  • Sewer Networks: Facilitates easy entry for monitoring and repair of municipal and industrial sewer pipelines.
  • Water Supply Infrastructure: Used to protect and provide access to underground water distribution systems and valves.
  • Utility Chambers: Ideal for housing and securing underground cables, telecom lines, and electrical connections.
  • Roadways and Highways: Designed to withstand heavy vehicular loads in urban and industrial traffic areas.

Product Resources

401.010 Water Manhole Top Details

Download PDF
401.010 Water Manhole Frame Details

Download PDF